V Band coupling clamp is a high strength customized V-shape profile clamp designed & manufactured by Jolly clamps for the leakproof clamping requirement of flanged connections. With the availability of a wide variety of frequently used sizes of V-band Clamp for OEM’s as well as Aftermarket, Jolly V-band clamp is most used in Exhaust & related applications as well as in non-auto industrial segments.
Jolly V-Band Clamps serve in a wide variety of industries while meeting the required goal to connect heavy duty metal flanges in high value & high performance applications. Our products commonly used industries and applications such as:

Holds IATF 16949, ISO 45001, and ISO 14001 certifications, ensuring high standards.
Products meet RoHS standards, demonstrating commitment to environmental responsibility.
Acts as a "one-stop" provider for diverse clamping needs.
Boasts over 5 decades of manufacturing expertise.
Supplies JOLLY brand clamps to over 80% of OEM and Aftermarket in India.
Exports to North and South America, Europe, and Russia.
Specializes in producing customized clamps.
Emphasizes the importance of lowest lead time.
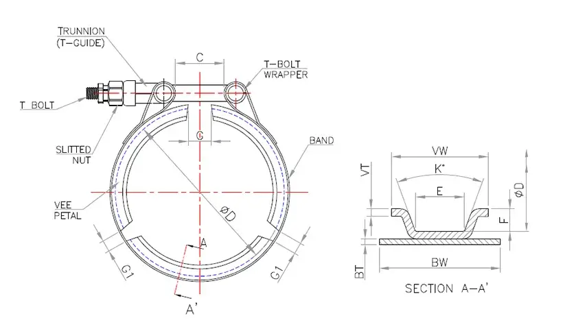
The V-Band Coupling Clamp is designed for leakproof clamping of heavy-duty metal flanges. Its V-shaped profile provides high axial clamping force, making it ideal for applications requiring a robust and secure connection.
These clamps are widely used in various industries, including: ● Automotive applications ● Exhaust systems ● Filter systems ● Marine applications ● Genset applications ● Food and chemical processing equipment ● Industrial applications ● Pumping and emissions systems ● Muffler assemblies
The clamp uses the wedging action of V-petals to tightly secure flanges. The robust welded construction and self-locking nut mechanism prevent loosening under high pressures and vibrations, ensuring a leakproof connection.
The V-Band Coupling Clamp is available in: ● SS300 grade stainless steel for high-performance applications ● A combination of SS300 and SS200 grade steel or plated carbon steel parts, tailored to customer requirements All carbon steel parts are zinc-plated according to Industry and Global Export Standards.
The clamp is available in two, three, or four V-petal configurations to suit various flanged connections. Standard sizes are offered for frequently used V-profiles, making it suitable for both OEM and aftermarket applications.
The T-bolt, trunnion, and nut mechanism, along with the self-locking nut configuration, ensures the clamp remains secure under high pressures and heavy vibrations. The high axial clamp force withstands the burst pressures typical in exhaust systems.
The V-Band Coupling Clamp is commonly used in: ● Exhaust systems and muffler assemblies ● Engines and gensets ● Pumping applications ● Food and chemical processing equipment ● Industrial systems ● Emissions control systems